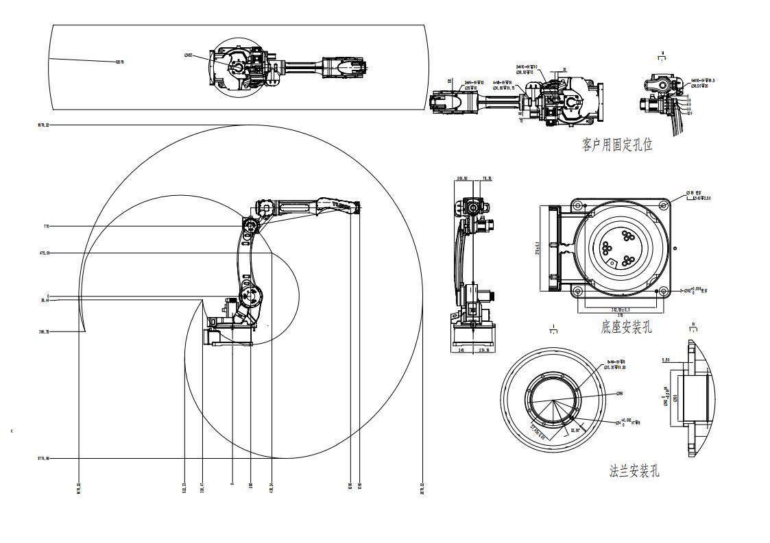
型號:TR06-2070B/ARC(原TKB2030) 負載:6kg 臂長:2078mm

參數表
| TR06-2070B/ARC | |||
| 額定負載 | 6kg | ||
| 臂長 | 2078mm | ||
| 重復定位精度 | ±0.07mm | ||
| 防護等級 | IP54 | ||
| 結構形式 | 垂直多關節串聯結構 | ||
| 軸數 | 6 | ||
| 最大速度 | J1 | 168°/s | |
| J2 | 148°/s | ||
| J3 | 160°/s | ||
| J4 | 330°/s | ||
| J5 | 450°/s | ||
| J6 | 700°/s | ||
| 最大動作范圍 | J1 | ±160° | |
| J2 | -90°~150° | ||
| J3 | -100°~75° | ||
| J4 | ±190° | ||
| J5 | ±130° | ||
| J6 | ±360° | ||
| 腕部允許扭矩 | J4 | 20Nm |
|
| J5 | 20Nm | ||
| J6 | 11Nm | ||
| 腕部允許最大慣量 | J4 | 0.5kgm2 | |
| J5 | 0.5kgm2 | ||
| J6 | 0.16kgm2 | ||
| 額定功率 | 4.3kw | ||
| 用戶配線 | RVV10*0.2 | ||
| 用戶配管 | 1*Φ8mm | ||
| 用戶配電 | 三相AC380V-10%~+10% | ||
| 適用環境 | 運行環境溫度 | 0~45°C | |
| 環境濕度 | 10%~80%RH | ||
| 最大溫度梯度 | 1.5°C/min | ||
| 本體重量 | 210kg |
||
| 適用控制柜 | TRC5-B06 | ||
| 安裝方式 | 落地 |
||
參數圖

